Logged in as :
AccountYour Basket Is Empty.
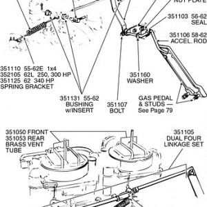
C1 - 1953-1962 » Fuel, Carburetor, Lines & Tanks » Gas Pedals & Pedal Pads



Part Number : 351098