Logged in as :
AccountYour Basket Is Empty.
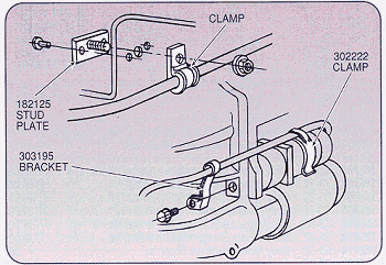
C3 - 1968-1982 » Electrical, Battery, Starter, Alternator, Regulator » Starter, Bolts & Braces



Part Number : 302222